GK12R240-PM125 Пластина отрезная, канавочная
Характеристики товара
Наличие товара:
Нет в наличии
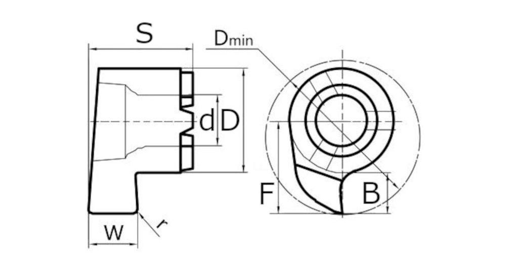
Диаметр раб. части d1, мм:
7.3
Ориентировочная дата поступления на склад:
16.12.2025
Обозначение СМП по ISO:
GK
r, мм:
0.2
S, мм:
5.9
Рабочая толщина пластины, мм:
5.9
W, мм:
2.4
B, мм:
4.3
f, мм:
8.05
Сплав:
PM125
Глубина канавки, мм:
4.3
Dmin, мм:
12
d, мм:
7.3
Тип канавки:
Прямая
680
₽
Пластина GK12R240-PM125 для обработки канавок оснащена системой винтового крепления пластины с торца, обеспечивающей тангенциальное крепление. Радиус при вершине 0.2 мм.
