GK18R250-PM125 Пластина отрезная, канавочная
Характеристики товара
Наличие товара:
Нет в наличии
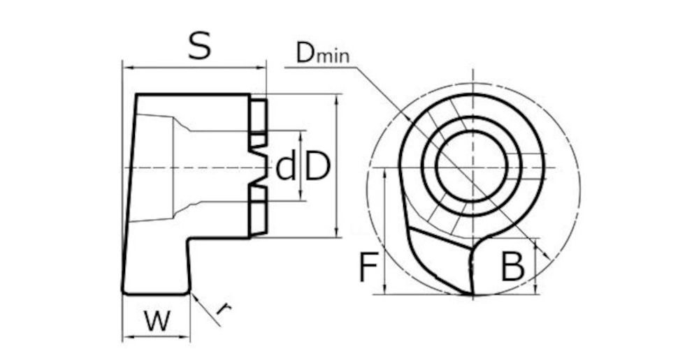
Диаметр раб. части d1, мм:
11.2
Ориентировочная дата поступления на склад:
22.09.2025
Обозначение СМП по ISO:
GK
r, мм:
0.2
S, мм:
7.9
Рабочая толщина пластины, мм:
7.9
W, мм:
2.5
B, мм:
7
f, мм:
12.7
Сплав:
PM125
Глубина канавки, мм:
7
Dmin, мм:
18.5
d, мм:
11.2
Тип канавки:
Прямая
748
₽
Пластина GK18R250-PM125 для обработки канавок оснащена системой винтового крепления пластины с торца, обеспечивающей тангенциальное крепление. Радиус при вершине 0.2 мм.
Похожие товары
Вы недавно смотрели:
