GK7R200-PM125 Пластина отрезная, канавочная
Характеристики товара
Наличие товара:
Нет в наличии
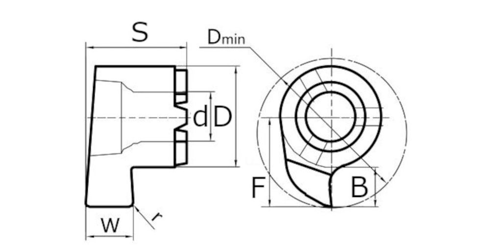
Диаметр раб. части d1, мм:
5.2
Ориентировочная дата поступления на склад:
08.02.2025
Обозначение СМП по ISO:
GK
r, мм:
0.1
S, мм:
5.2
Рабочая толщина пластины, мм:
2.7
W, мм:
2
B, мм:
2
f, мм:
4.6
Сплав:
PM125
Глубина канавки, мм:
2
Dmin, мм:
7.5
d, мм:
5.2
Тип канавки:
Прямая
558
₽
Пластина GK7R200-PM125 для обработки канавок оснащена системой винтового крепления пластины с торца, обеспечивающей тангенциальное крепление. Радиус при вершине 0.1 мм.
