Производитель твердосплавного режущего инструмента

slider0

Полезные статьи

Читать все статьи

EC20-25 Эксцентриковая втулка

Характеристики товара

Наличие товара:
Нет в наличии
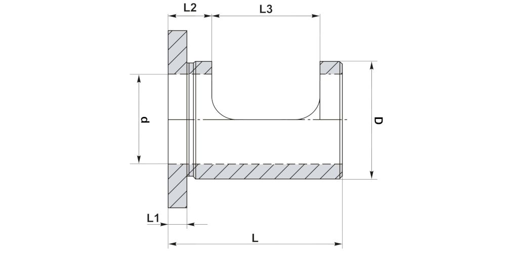
Диаметр раб. части d1, мм:
25
Ориентировочная дата поступления на склад:
31.12.2025
L, мм:
47
L1, мм:
6
L2, мм:
11
Тип хвостовика:
Цилиндрический
Эксцентричность, мм:
0.6
Диапазон изменения, мм:
-0.2/+0,4
L3, мм:
33
d, мм:
25
3 510
+
Эксцентриковая втулка EC20-25 позволяет изменять номинальный диаметр отверстия сверл серии UD, путем смещения оси сверла относительно оси шпинделя в пределах -0.2/+0,4 (эксентричность:0.6 мм) с посадочным диаметром 20 мм. При предварительной настройке сверла с помощью эксцентриковой втулки можно получать отверстия с более высокой точностью, а также отверстия диаметром больше или меньше сверла на фрезерных и сверлильных станках.
0.43 с