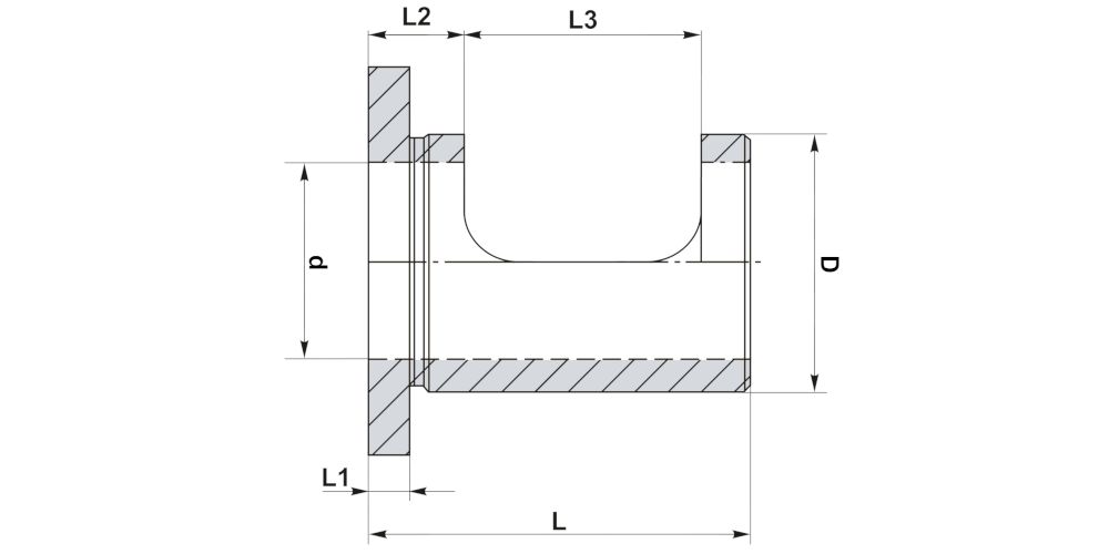
EC25-32 Эксцентриковая втулка
Характеристики товара
Наличие товара:
Нет в наличии
Диаметр раб. части d1, мм:
32
Ориентировочная дата поступления на склад:
31.12.2025
L, мм:
60
L1, мм:
6
L2, мм:
11
Тип хвостовика:
Цилиндрический
Эксцентричность, мм:
0.6
Диапазон изменения, мм:
-0.2/+0,4
L3, мм:
45
_Ориентировочная дата поступления на склад:
05.05.2025
d, мм:
32
3 510
₽
Эксцентриковая втулка EC25-32 позволяет изменять номинальный диаметр отверстия сверл серии UD, путем смещения оси сверла относительно оси шпинделя в пределах -0.2/+0,4 (эксентричность:0.6 мм) с посадочным диаметром 25 мм. При предварительной настройке сверла с помощью эксцентриковой втулки можно получать отверстия с более высокой точностью, а также отверстия диаметром больше или меньше сверла на фрезерных и сверлильных станках.
